Touch Dimmer Switch Project Circuit
Touch Lamp Circuit Circuit Diagram
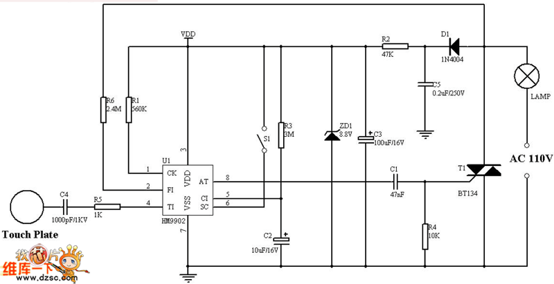
Touch Lamp Control Touch Dimmer Circuit For Lamps Using
Touch Switch Circuit Circuit Diagram Circuit Circuit Drawing
220v Ac Lamp Touch Dimmer Electronic Schematic Diagram
Diy Wie Baue Ich Eine Touch Sensor Lampe Blog Conrad At
Touch Lampe Reparatur Mikrocontroller Net
Problem Touch Led Lampe Mikrocontroller Net
Led Touch Lamp Schematic Untested Obsolete Intended T
Lampe Mit Touchdimmer Reparieren Bauanleitung Zum
Touch Switching 12v Light Schematic Electronic Circuit
Touch Switch Desk Lamp Circuit Diagram Sensor Circuit
Desk Lamp Touch Switch Circuit Basic Circuit Circuit
Capacitance Touch Lamp Calibration Circuit Electronics
Lampe Mit Touchdimmer Reparieren Bauanleitung Zum
Frage Zu Touch Sensor Schaltung Mit Ne555 Mikrocontroller Net
Touch Lampe Nach Gluhlampenwechsel Defekt Mikrocontroller Net
Application Notes And Circuits For Touch Controlled Lamp
Touch Switch Under Human Sensing Circuits 13801 Next Gr
Play With Arduino And Raspberry Touch Led Lampe
Explore Touch Dimmers For Lamp Amazon Com
Saklar Lampu Touch Screen Terbaru 4332kh
Touch Lamp Control Touch Dimmer Circuit For Lamps Using
Jual Hot Promo Saklar Lampu Luxury Touch Led With Remote 3 Intelligent Jakarta Barat Nugroho Tri Tokopedia
Saklar Lampu Luxury Touch Led With Remote 1 Intelligent Switch Xjg Dh001 Black Jakartanotebook Com
One Way Touch Lamp Switch Wiring Diagram Wiring Diagram
Touch Controlled Lamp Dimmer Simple Circuit Diagram
Rosenice Touch Lampe Schreibtisch Lichtsensor 3 Wege Schalter Dimmer Reparatur
Jual Saklar Lampu Luxury Touch Led With Remote Switch 2 Tombol Kab Bogor Daikazera Shop Tokopedia
Lampe Mit Touchdimmer Reparieren Bauanleitung Zum
4 Best Touch Sensor Switch Circuits Explored Homemade
Touch Schalter Selber Bauen Lampe Schaltplan Sensor
Sanwu Mini Portable Led Reading Lamp Usb Led Light Board Touch Control
Touch Lampe Nach Gluhlampenwechsel Defekt Mikrocontroller Net
Run Capacitive Touch Switch Sensor Module Push Button Key Latch Relay
Arduino Multi Mode Lamp With Soft Touch Switch Use Arduino
Termurah Saklar Lampu Luxury Touch Led With Remote Switch 2 Tombol
Hot Sale Sesoo Saklar Lampu Luxury Touch Led With Remote 2 Switch
Solved 2 Draw A Schematic For A Flip Flop Set Up As A T
Engineering Schematics Lamp Wiring Diagram 500
Results Page 99 About Led Driver 12 V Searching Circuits
Infrared Touch Screen Diagram Schematic And Image 08
Pengendaii Instalasi Tenaga Listrik Sensor Sentuhan
Touch Lamp Wiring Diagram Wiring Diagram
Touch Dimmer Light Switch 1 Compartment With Glass Cover White
How Can I Make My Touch Lamp Less Sensitive Especially To
Jual Produk Saklar Lampu Listrik Touch Led Murah Dan
3d Helicopter Night Light Lamp 7 Color Change Led Touch Usb
Details About Zing Ear Tp 01 Zh Touch Light Switch On Off Table Lamp Module Sensor 150w 120v
How Can I Make My Touch Lamp Less Sensitive Especially To
Touchdimmer Touch Dimmer Modul Mt 1009a 20 150 Watt Ersatzteil
Jual Sesoo Saklar Lampu Luxury Touch Led With Remote Hitam 3 Dki Jakarta Gomzter Tokopedia
Big Sale P3k Saklar Lampu Luxury Touch Led With Remote 3 Switch Black
Touch Control Lamp Lighting And Ceiling Fans
Led Smart Touch Induction Cabinet Light Cupboard Inner Hinge Lamp Sensor Light Night Light For Closet Wardrobe
Let S Make It Easy Attiny2313 Capacitive Touch Switch
Beruehrungsdimmer Und Beruehrungsschalter Von Wohlrabe
Touch Lamp Switch Onehorseranch Info
Touch Lamp Switch Onehorseranch Info
Bryan Cera Capacitive Touch Lamp Progress
Patent Report Us9927109 Touch Lamp
With A Cd4013 Touch Delay Saving Lamp Production Under Delay
Touch Lamp Circuit For Posterity Physics Forums
220v 800w Lamp Flasher Electronic Schematic Diagram
Touch Lamp Wiring Diagram Wiring Diagram
Touch Lamp Sensor Vegankitchn Com
Wechselschaltung Und Kreuzschaltung Mit Schaltplan Campofant
John Lewis Partners River Touch Table Lamp Satin Nickel
Two State Touch Light Control Circuit Light Control
The Electric Touch Filament Lamp Regulating System Circuit
Touch Screen Technology By Oliver Teves On Prezi
Alessio On Twitter Start Design Iot Lamp Touch Stm32
On Off Power Controller Touch Dimmer Untuk Led Strip Black Jakartanotebook Com
Prototype Demonstration Of A Touch Screen Using Silver
Amazon Com Loft Table Lamp American Village Retro Style
Results Page 6 About Musical Touch Bell Searching
Desk Lamp Tt Dl16 Durable And Flexible Lamp With Usb Port
Us 16 05 43 Off Smart Touch Screen Sensor Switch Dimmer Led Light Lamp Switch Wall Switch Remote Control Switch Eu Uk Standard In Switches From
Free Electronic Circuits 8085 Projects Blog Archive Non
Tsl06131 3030 4 Arah Illuminated Switch Kebijaksanaan Kebijaksanaan Switch Dengan Lampu Led Pusat Push Jenis Light Touch Beralih Buy Sesaat
Color Online Schematic Diagram Of The Optical System
Royal Designs Tu 3001 2 100w 4 Way Touch Sensor Converter
Let S Make It Easy Attiny2313 Capacitive Touch Switch
Us 4 55 24 Led Desk Lamp Usb Led Table Lamp 5v 5 W Table Lamp With Clip Bed Reading Book Light Led Desk Lamp Table Touch 3 Modes In Led Table Lamps
Us 4 54 10 Off Xd 609 4 Mode On Off Touch Switch Sensor For 220v Led Lamp In Switches From Lights Lighting On Aliexpress
Tsl06131 3030 4 Arah Illuminated Switch Kebijaksanaan Kebijaksanaan Switch Dengan Lampu Led Pusat Push Jenis Light Touch Beralih Buy Sesaat
Touch Operated Lamp Archives Theorycircuit Do It
Novel Touch Switch Table Lamp Circuit Control Circuit
Touch Switch Circuit Using Timer Ic 555
My Electronic Project Inverter Microcontroller Diy Touch





